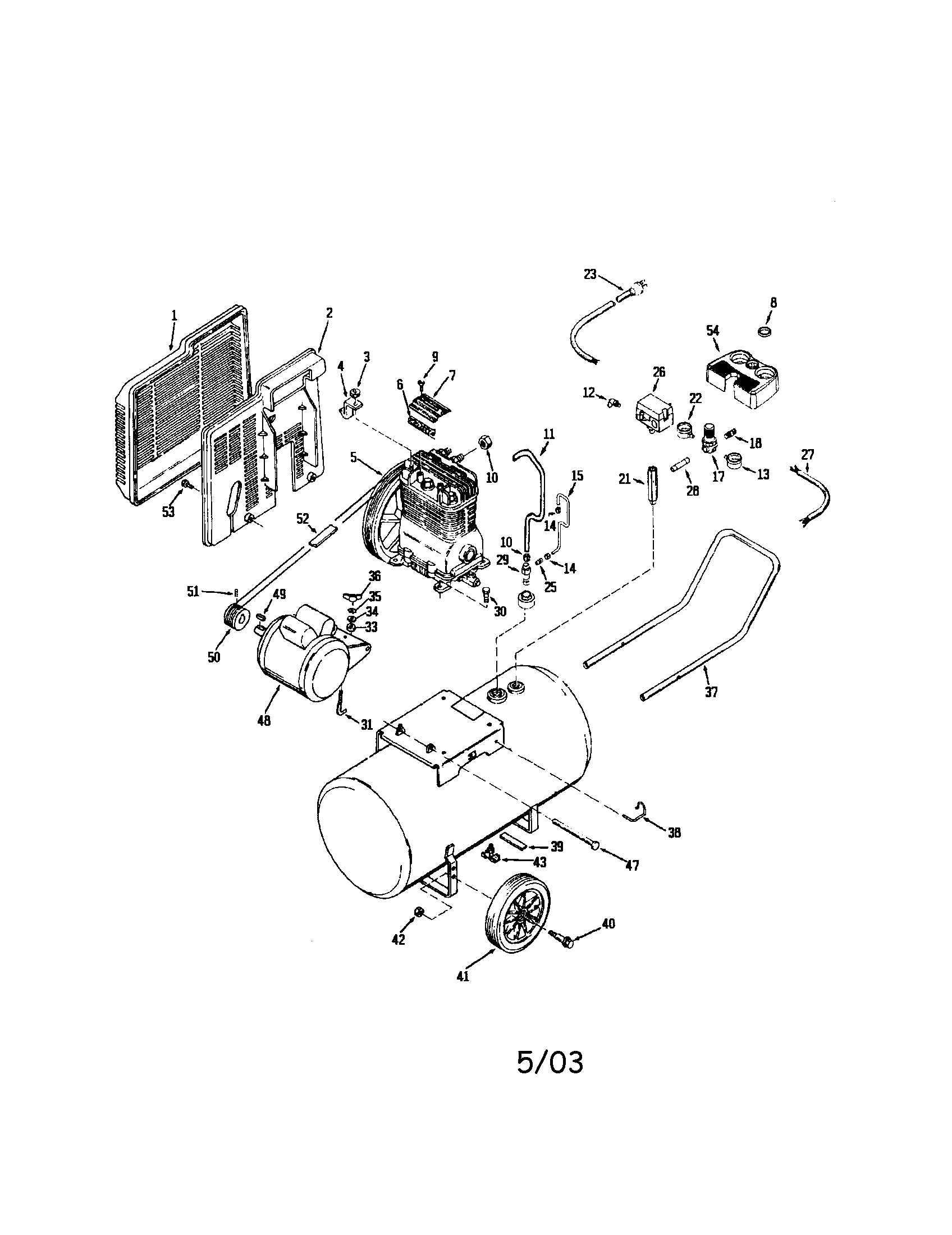
DEVILLBISS D22620 Air Compressor, Pump Parts, Breakdown & Owners Manual

Devilbiss Air Compressor Parts Manual. DEVILBISS MODEL HFA2X4 OIL FREE COMPRESSOR, BREAKDOWN, PARTS LIST Download manuals & user guides for 83 devices offered by DeVilbiss in Air Compressor Devices category User manuals, DeVilbiss Air Compressor Operating guides and Service manuals.

DEVILBISS D22073 USER MANUAL Pdf Download ManualsLib
DEVILBISS D22073 USER MANUAL Pdf Download ManualsLib from www.manualslib.com

Download the manual for model Devilbiss 250E20AD air compressor We have 2 DeVilbiss Air Compressor Parts manuals available for free PDF download: General Manual, Operator's Manual

DEVILBISS D22073 USER MANUAL Pdf Download ManualsLib

View & download of more than 904 DeVilbiss PDF user manuals, service manuals, operating guides We have 2 DeVilbiss Air Compressor Parts manuals available for free PDF download: General Manual, Operator's Manual Devilbiss air compressor parts - manufacturer-approved parts for a proper fit every time! We also have installation guides, diagrams and manuals to help you along the way!

Devilbiss air compressor model 445 manual by mor190 Issuu. This page will provide as much relevant information as possible on DeVilbiss air compressors, where you can seek help, download manuals, and navigate existing problems and solutions on this site Paint Sprayer, Air Compressor user manuals, operating guides & specifications

DEVILBISS MODEL HFA2X4 OIL FREE COMPRESSOR, BREAKDOWN, PARTS LIST. Air Compressor air compressor pdf manual download. | DeVilbiss Air Compressors | #aircompressor #compressedair