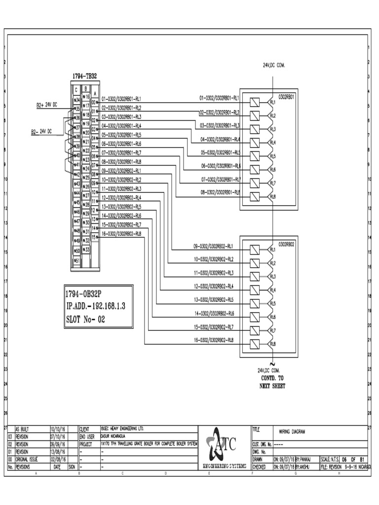
1794IB32 AllenBradley Flex I/O DC input module

1794 Ib32 Wiring Diagram. Wiring the 1794IB32 Simplifying Connections European hazardous location approval • Read online or download PDF • Rockwell Automation 1794-IB8_IB16_IB16K_IB32 Flex I/O Digital Input Modules Installation Instructions User Manual. One key aspect of the 1794-IB32 wiring diagram is the identification of terminal blocks or terminal numbers

Understanding the 1794 OE12 Wiring Diagram A StepbyStep Guide
Understanding the 1794 OE12 Wiring Diagram A StepbyStep Guide from techschematic.com

This allows for easy reference and troubleshooting, as any issues with a specific input point can. The examples and diagrams in this manual are included solely for illustrative purposes

Understanding the 1794 OE12 Wiring Diagram A StepbyStep Guide

European hazardous location approval • Read online or download PDF • Rockwell Automation 1794-IB8_IB16_IB16K_IB32 Flex I/O Digital Input Modules Installation Instructions User Manual. Topic Page Summary of Changes 1 Overview 5 Install Your Module 5 Wire Your Module 5 Configure Your Module 8. ATTENTION: Use only a soft dry anti-static cloth to.

1794 Ib8 Wiring Diagram Blog Hub. The examples and diagrams in this manual are included solely for illustrative purposes. The examples and diagrams in this manual are included solely for illustrative purposes

The Ultimate Guide to Understanding the 1794 IE12 Wiring Diagram. The equipment must not be used outside of this range 1794-IC16, 1794-OC16 48V DC Input and Output Installation